TOP > バックナンバー > Vol.15 No.7 > 電動車両関連

Vol.15 No.7

電動車両関連
清水 健一
Ken-ichi SHIMIZU
早稲田大学/本誌編集委員
Waseda University/JSAE ER Editorial Committee

 EVをはじめとする複雑なシステムはモデルベース開発による開発が必須であるためか、このモデルを利用したテーマが目立った。ここではこれらを含めて、EV開発のトレンドの観点から見た注目発表を紹介する。

講演紹介(1)Li電池の寿命/危険推測の手法

 Liイオン電池は劣化による熱暴走の危険から安全に使用できる”寿命”が重要であるが、それは使用環境の履歴に依存することが知られており、個々の車両固有と言っても良い。課題の多い実使用環境下での電池の危険/寿命を事前に把握する方法等に関する3件の発表を紹介する。なお、蓄電システム技術セッションで関連した発表があり、紹介記事があるので参照されたい。
 KEUTHら(1)は、開発時に作製した電池システムのSOHモデル(デジタルマスター)を、生産時にHILS等によるより適合したデジタルプロトモデルに修正した後、市場に出た段階では個別の車両の運用データ(Cloudで管理)によってモデルを逐次修正出来るデジタルツインを紹介した(図1)。種々の環境での多様な情報での学習によって詳細なデータに裏打ちされると同時に、個々の車両の状態管理と予測が可能で、熱暴走の回避や電池寿命情報の提供も可能としている。図2に示すように各モジュールにAI処理が施され、MLP、CNN、XGBの三種のAIの効果も比較している。モジュールのデータは多種多様な大量の学習データを確保出来るようscalable処理(正規化か?)されている。乗用車メーカーと実施した試験では、故障発生の一ヵ月前に97%を、一年前でも38%を予測出来たとしている。
 EVに限らずに応用可能な手法であり、高度化・複雑化する車両全般に有効なものと考える。

 EZEMOBIら(2)は、Liイオン電池の故障を事前に検出する方法に関する研究のサーベイ結果を紹介した上で、前述のモデルベースの方法と従来のデータ駆動型の利点を併せた図3の方法を紹介した。まず電流、温度、SOCをパラメータとした初期特性電池の等価回路モデル(ECM)を作成する。運用ステップでは機械学習によるモデルの微修正を行いながら、各条件下でのモデルによる電池電圧(VECM)と、初期状態値(VECM0)とからGPR(ガウス過程回帰)により電池電圧の不確かさを推測し、故障/正常の判断基準Vfを定める。実電池電圧のVECM0からのずれRVがVfを超えるか否かで異常を判断するもので、差が規定値を超えた状態が一定の時間継続した際にFaultと判断する。6セル(うち1セルが劣化)の電池のWLTPの走行/充電試験を10回連続した際の挙動をシミュレーションによって確認した(図4、図5)。茶色の差電圧が、図5の劣化セルで増大しており、判別が可能としている。
 一般的なBMSの判定値が固定であるのに対して、一部をクラウド管理するスマート化の可能性を意識したものと理解する。

 AIによる電池の研究が盛んになっているが、学習の基になるデータ取得も課題となっている。特に寿命末期やFault時のデータは取得が困難である。
 JANGら(3)はバッテリデータを用いて電気化学特性を学習し、同じ状況で発生する可能性のある全く新しいデータを生成する、GAN(Generative Adversarial Network; 画像データ生成用途が顕著)に基づくディープラーニング技術を提案した。GANは二つのニューラルネットワーク(GeneratorとDiscriminator)が前者が後者を欺くことを繰り返しすることで、Fakeが見抜けないほどのRealに近いFakeを求めるもので、当該処理に向いたシステムを提案している(図6)。学習のためのデータを、駆動用電池評価システムを利用して車両運転を模擬した試験で求め、これを用いて、発生する可能性のある全く新たなデータを生成し、そのデータの妥当性を確認している(図7)。

講演紹介(2)駆動用電池の温度管理

 Liイオン電池の温度管理は性能と寿命の確保に重要な課題であり、空調、モータ、電池等の一括熱管理に関する”サーマルマネジメント”関連発表が増えているが、ここでは鉛酸電池時代にもあった潜熱蓄熱による保温技術の、現代版の技術を紹介する。
 寒冷地ではグリッドの電力で電池温度を昇温する方法がとられているが、出先の駐車時でプラグイン出来ない際は電池温度維持に駆動用電池のエネルギーを使用せざるを得ない。大橋ら(4)は相変化温度が約600℃のペレット状のMEPCM(相変化マイクロカプセル)を蓄熱材とした電池の保温方法を提案した。蓄熱部(図8)は魔法瓶状の容器にコイル状のヒータと、熱を外部に取り出すAl製のロッドを備え、これに蓄熱材を充填したもので、試作品での試験でシミュレーションの結果に準じた性能を確認している。システムは図9に示すようにバッテリ温度制御用のLLC流路に伝熱ロッドで熱を供給するもので、これを通常の厚みで倍以上の断熱性能の断熱ケースに装填してある。-15℃環境で、電池を0℃以上に保てる時間が、断熱材だけで15時間、蓄熱材を加えると60時間確保出来るとしている。

講演紹介(3)給電/充電システム(スマート マイクロ グリッド / バスの接触給電・充電)

 EVはICEに比べて高効率な駆動系があるものの、搭載電池による重量増や、発電由来のCO2排出量のぶれなど、システムとして見たときの評価が必要となっている。
 Newcasle大の ALIら(5)は、セッションの基調講演として持続可能性の観点から理想的なEVインフラについて紹介した。英国の例では全EV化には現状の発電能力と同等の新たな発電能力が必要であるとし、従来の電力系統への依存度が低い以下のシステムを提案した。都市の入り口付近の道路に接触式走行中給電設備とこれの受給電用のスマート マイクロ グリッド(SMG)を新設するもので、図10に示すように路上の屋根に設置したソーラと風力や鉄道の回生エネルギーなど、再生可能エネルギーと、路側に設けた蓄電用電池により、グリッドから独立した運用も可能としている。機械学習に基づくエネルギー管理により、需給バランスの動的調整などで髙効率化を図るもので、図11のSCGシステムの高効率運法手法の検討とエミュレーターによるSMGの負荷管理機能の実験的検証の結果を紹介した。
 全車両への走行中給電機能付与の是非は別として、地産地消のマイクログリッドと従来のグリッドによるスマート化は、あるべき姿の一つであると考える。

 大型車両のEVは駆動用電池による重量増が大きいため、走行中給電によって搭載電池の削減を図ることが検討されているが、需要が期待される高速道路は道路勾配の大きさが必要供給電力を大きくすることが課題になっている。
 田宮ら(6)は道路勾配が小さい専用路が多いBRT(Bus Rapid Transit; 廃線鉄道に代わるバス高速輸送)に走行中給電を導入した際の効果をシミュレーションで検討した。専用区間の比率が高く、路線長も長い気仙沼線と大船渡線への導入を想定し、HEVバスの評価方法をベースにEV化と給電機能を追加した方法で、HEVバスベースのEVバス(搭載電池が100kWhと30kWhの2種)への供給電力等について試算した。各停留所間の距離と想定巡航速度を基に設定した負荷(道路勾配は無視)と分散配置した給電区間での電池のSOC変化等を求め、30kWhでも特段の補充電なしに実現可能であることを確認した(仙山線下りの例を図12図13に示す)。
 技術的は興味深いアプリケーションであると思うが、費用対効果の検討と、道路勾配が与える影響についての大まかな確認が期待される。

講演紹介(4)モーターシステム(充電機能付きモータ / 4輪インホイールモータ)

 モータやコンポーネントに関しては現在の製品に直結する発表が多かった。ここでは少し冒険的なテーマを紹介する。
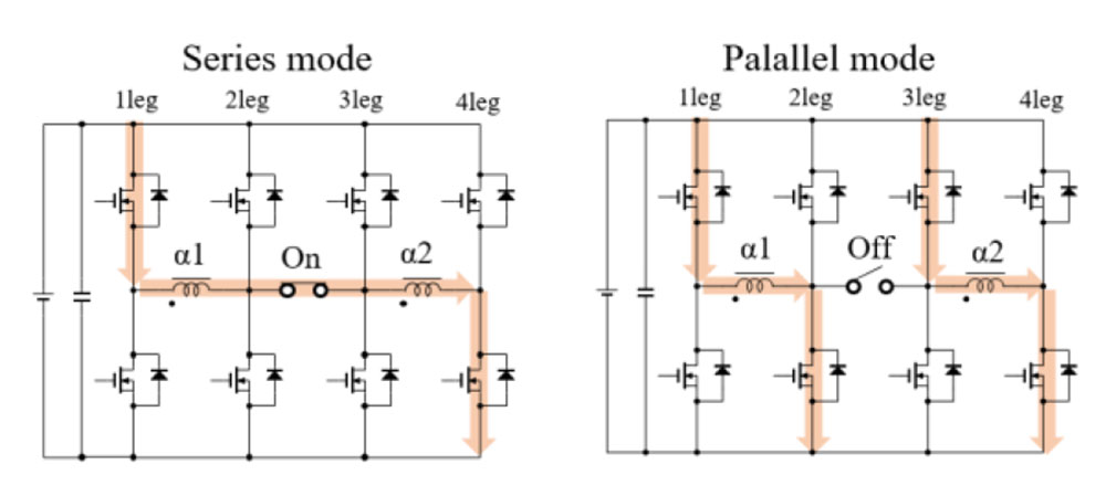
 二村ら(7)は2024年秋季大会で構想を発表した、モータとインバータで普通充電/急速充電/V2Hの機能を実現するシステムについて、課題であったモータ機能の改善方法と各機能の実機検証について述べた。電池のエネルギーを車両外部とやりとりする機能に二つのモーター巻き線を利用するため、モータは2極(図14)で、肝心のモータ特性が出力と効率がトレードオフ関係であった。これを図15に示す直交する巻き線の直/並を切り替えることで、低回転域での髙トルク(直列)、髙回転と高効率(並列)を実現している(図16の実機検証参照)。
 また、150kWの昇圧急速充電機能についても実機で検証した。

 インホイールモータの4輪駆動車は、各輪のトルクを独立して詳細に制御することによる高度な車両の姿勢制御に加え、制駆動力の反力によって発生する懸架系の上下変位を利用した制震制御が期待されている。初瀬ら(8)は、既発表の試作車(図17)でこの機能を実現する際に課題となった走行中のタイヤのスリップ比をセンサの追加なしに実現する方法を紹介した。駆動輪に微少振幅の高周波(15Hz)のトルクを重畳させ、このトルク振幅とこれに対応する角速度(モータのレゾルバで検出)の振幅との比としてスリップ比を推測する(図18参照)もので、図19に示すアスファルト路面と水を散布した浴槽タイル上を走行した試験結果のとおり、両路面の差が角速度の振幅差で検出できることが分かる。
 定量的なスリップ比の計測にはタイヤトレッド部の伝達特性の影響を含めた検討も必要であるが、制御の目的によっては充分利用可能と思われる。

×

この記事(あるいはこの企画)のご感想、ご意見をお聞かせください。
今後のコンテンツづくりの参考にさせていただきます。

コメントをお寄せいただきありがとうございました。

職種

職種を選択してください

コメント

コメントを入力してください

閉じる
閉じる
【参考文献】